Compresores Scroll para aplicaciones de Media y Baja temperatura
Serie SR
Compresores Scroll para aplicaciones de Media y Baja temperatura
3-50 Hp, 18 154m³/h, 50Hz
- Características del producto
- Clasificación de modelos
- Datos técnicos. Media temperatura
- Datos técnicos. Baja temperatura
- Modo de funcionamiento
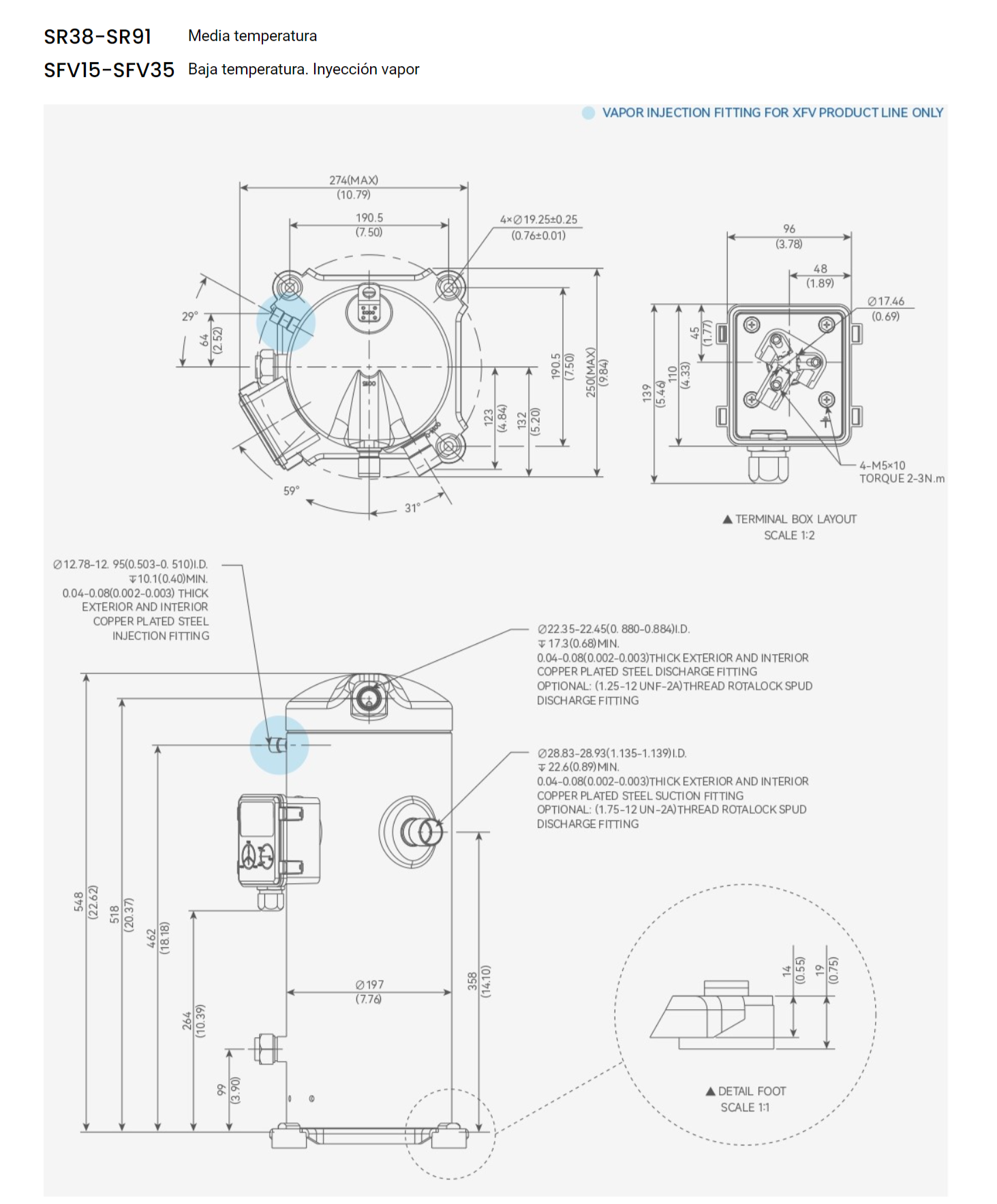
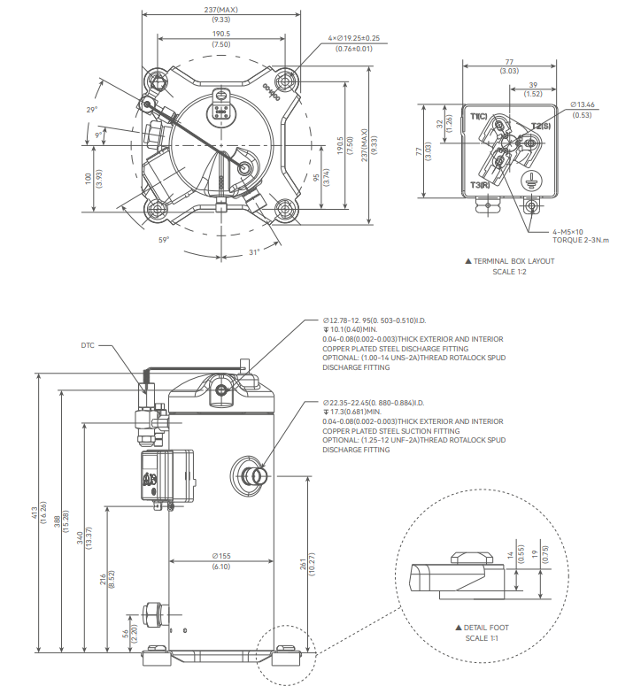
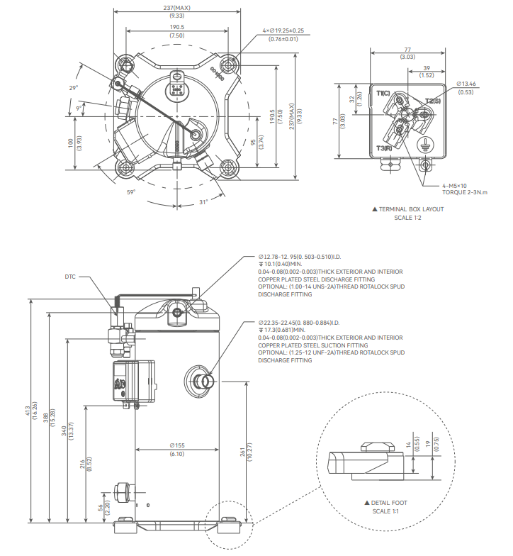
- 2-5 Hp: SR38-SR91 Medium temperature | SFV15-SFV35 Low temperature. Steam injection
- 2- 5 Hp: SFL15-SFL35 Low temperature. Liquid injection
- 6-8Hp: SR110-SR135 Medium temperature | SFV42-SFV51 Low temperature. Steam injection
- 6-8Hp: SFL42-SFL51 Low temperature. Liquid injection
- 9-20Hp: SR162-SR280 Medium temperature | SFV62-SFV106 Low temperature. Steam injection
- 9-17Hp: SFL62-SFL106 Low temperature. Liquid injection











